


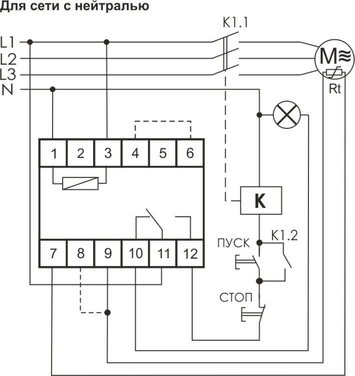
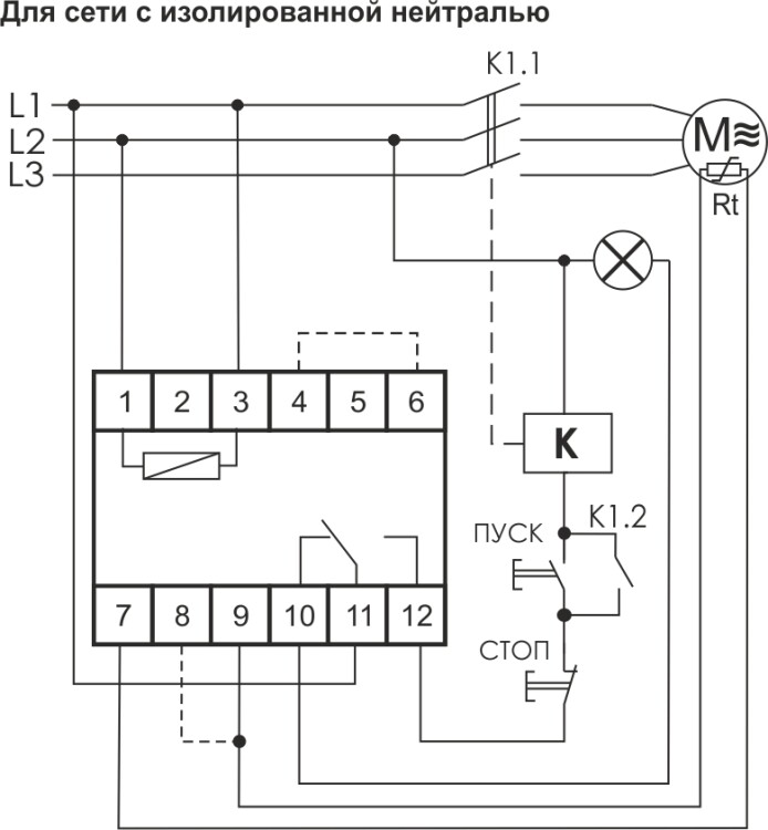
Описание и характеристики
Тепловое реле, предназначено для защиты электровигателей от перегрева, 1 модуль, монтаж на DIN-рейке 24...450 AC/DC 16А 1NO/NC IP20 Евроавтоматика ФиФ
Номин. напряжение питания цепи управления Us AC 50 Гц
24...450 В
Номин. напряжение питания цепи управления Us постоян. тока DC
24...450 В
Тип напряжения управления
AC/DC (перемен./постоян.)
Показать все характеристики