Реле импульсное 2х8А, 2NO/NC IP20 BIS-416

цена
1 865,78 ₽/шт
наличие
Под заказ
шт
Подобрать аналогСвязанные товары

Описание и характеристики

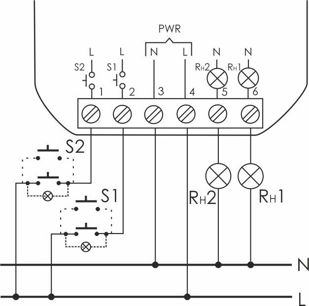
Реле импульсное предназначено для включения/выключения освещения, электроустановок и т.п. из нескольких мест при помощи параллельно соединенных кнопок. Реле имеет две секции и позволяют с соответствующей последовательностью управлять двумя нагрузками. Управление состоянием реле осуществляется по двухпроводной линии путем нажатия любой кнопки, двухканальное, для установки в монтажную коробку 60 мм 100265B AC 8А 2NO IP20 Евроавтоматика ФиФ
Управляющее напряжение 1
100...265 В
Тип управляющего напряжения 1
AC (перемен.)
Количество нормально открытых контактов (НО)
2

Связанные товары

Аналоги