

Описание и характеристики
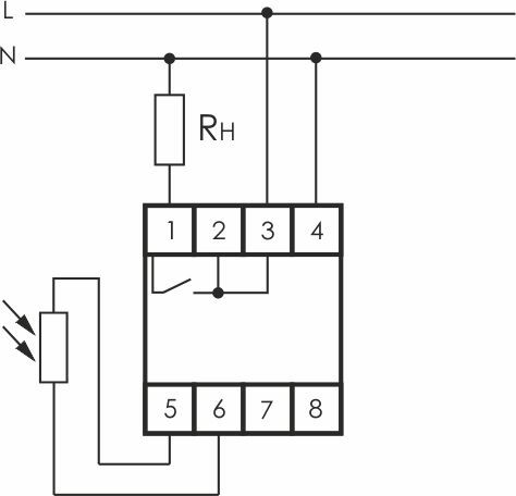
Для автоматического включения освещения (нагрузки) в сумерки и выключения на рассвете, выносной герметичный фотодатчик, 2 модуля, монтаж на DIN-рейке 230В 16А 1NO IP20 Евроавтоматика ФиФ
Номин. напряжение
230 В
Макс. мощность ламп накаливания
2000 Вт
Макс. мощность люминесц. ламп
1000 ВА
Показать все характеристики