

Описание и характеристики
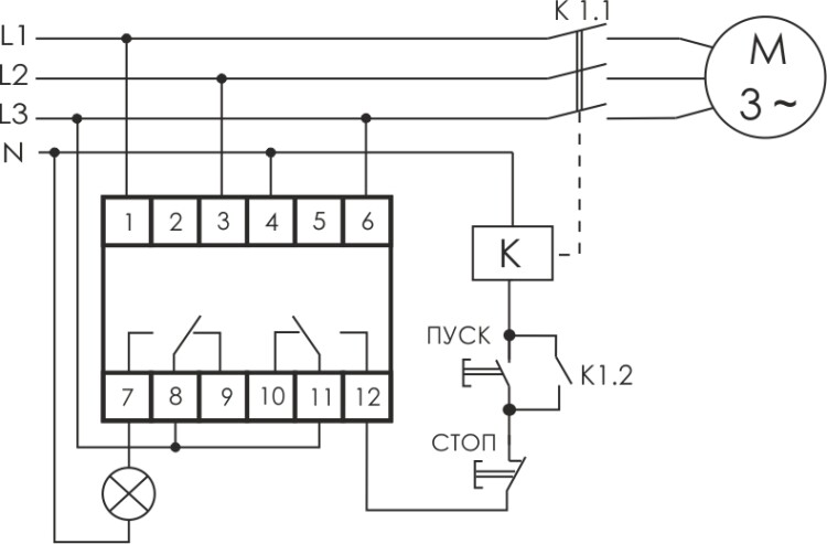
Реле контроля и наличия, чередования фаз, слипания фаз, асимметрии фаз, контроль напряжения, контроль обрыва нейтрали, 1 модуль, монтаж на DIN-рейке 3х400/230+N 2х8А 2NO/NC IP20 Евроавтоматика ФиФ
Диапазон измеряемого напряжения №1
150...210 В
Диапазон измеряемого напряжения №2
240...280 В
Контроль мин. однофазного напряжения
Нет
Показать все характеристики