


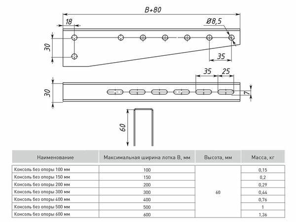
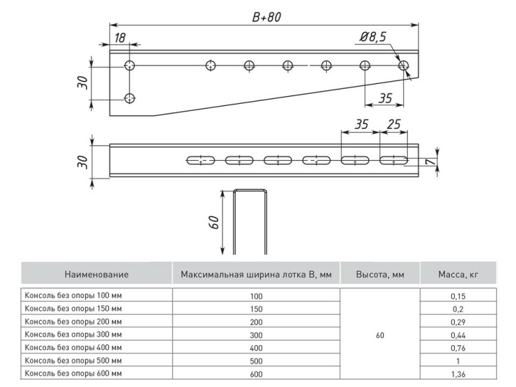
Описание и характеристики
Консоль без опоры является облегченной версией монтажного кронштейна и применяется для малых и средних кабельных нагрузок. Монтаж осуществляется только совместно с профилями pp35120-1,5 (длина 120 мм.) или pp35180-1,5 (длина 180 мм).
Длина
100 мм
Ширина
150 мм
Высота
75 мм
Показать все характеристики