Ясная, 28
Юлиуса Фучика, 1
Пер. Мельковский, 5к
Товары
Спецификации
Заказы
Документы
КП
Корзина
Екатеринбург
Войти
Каталог
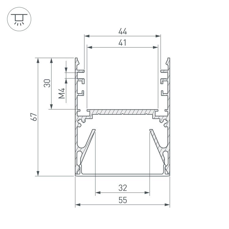
Профиль с экраном ALU-LINE-DUO-2000 ANOD+OPAL (Arlight, Алюминий)
Главное
Подробное описание
Связанные товары
Аналоги
Светотехника
Иллюминиация и светодиодная лента
LED лента, световая полоса, гибкий неон
Артикул:
00000512474
Код производителя:
024188
Бренд:
Arlight
цена
11 004,00 ₽/компл
наличие
41 компл
компл
в корзину
добавить в…
Добавить в избранное
Поделиться
Подобрать аналог
Связанные товары
Отказное письмо
Описание и характеристики
Тип компонента/запасной части
Профиль
Длина
2000
мм
Ширина
67
мм
Показать все характеристики
Связанные товары
Аналоги