Ясная, 28
Юлиуса Фучика, 1
Пер. Мельковский, 5к
Товары
Спецификации
Заказы
Документы
КП
Корзина
Екатеринбург
Войти
Каталог
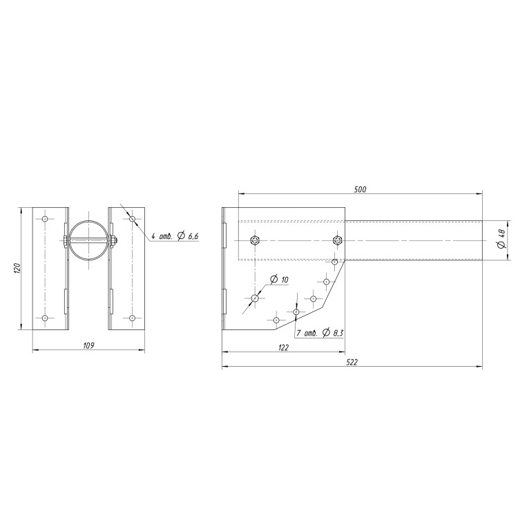
Кронштейн для уличного светильника 500x150x120 d48mm с переменным углом SPP-AC2-0-500-048
Главное
Подробное описание
Связанные товары
Аналоги
Светотехника
Аксессуры к светильникам
Артикул:
00000353960
Код производителя:
Б0057534
Бренд:
ЭРА (Энергия света)
цена
695,40 ₽/шт
наличие
Под заказ
шт
в корзину
добавить в…
Добавить в избранное
Поделиться
Подобрать аналог
Связанные товары
Отказное письмо
Описание и характеристики
Кронштейн для уличного (клнсольного) светильника с переменным углом 500*120*112 d48mm
Тип компонента/запасной части
Кронштейн/консоль
Цвет
Серый
Материал
Сталь
Показать все характеристики
Связанные товары
Аналоги