Ясная, 28
Юлиуса Фучика, 1
Пер. Мельковский, 5к
Товары
Спецификации
Заказы
Документы
КП
Корзина
Екатеринбург
Войти
Каталог
Экран STRETCH-S-35-CEIL-CENTER-50m OPAL (GAMMA35) (Arlight, -)
Главное
Подробное описание
Связанные товары
Аналоги
Светотехника
Иллюминиация и светодиодная лента
LED л ента, световая полоса, гибкий неон
Артикул:
00000515457
Код производителя:
045463
Бренд:
Arlight
цена
По запросу
наличие
Под заказ
м
в корзину
добавить в…
Добавить в избранное
Поделиться
Подобрать аналог
Связанные товары
Отказное письмо
Описание и характеристики
Тип компонента/запасной части
Рассеиватель/экран для профиля
Длина
50000
мм
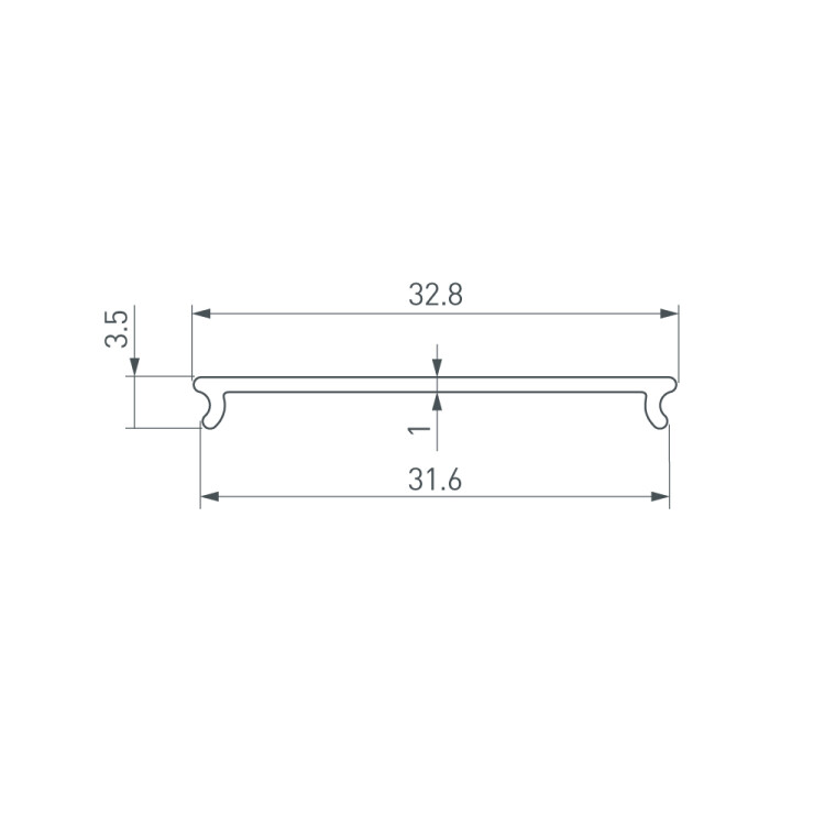
Ширина
31
мм
Показать все характеристики
Связанные товары
Аналоги