

Описание и характеристики
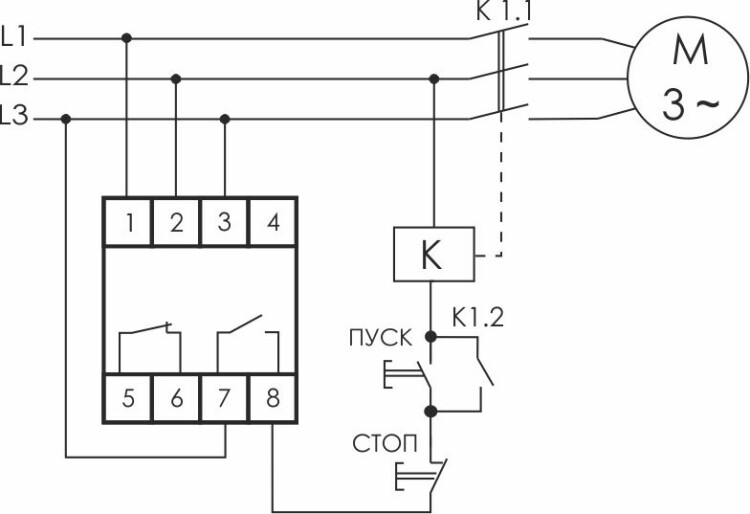
Реле контроля наличия и чередования фаз предназначено для для защиты электродвигателей и электроустановок, питаемых от трехфазной сети в случаях: 1.отсутствия хотя бы одной из фаз;2.асимметрии напряжения;3.контроль верхнего значения напряжения;4.контроль нижнего значения напряжения, для сетей с изолированной нейтралью, регулировка задержки отключения, 2 модуля, монтаж на DIN-рейке 3х400В 8А 1NO, 1NC IP20 Евроавтоматика ФиФ
Номин. напряжение питания цепи управления Us AC 50 Гц
400 В
Тип напряжения управления
AC (перемен.)
Диапазон измерения напряжения
320...480 В
Показать все характеристики