Ясная, 28
Юлиуса Фучика, 1
Пер. Мельковский, 5к
Товары
Спецификации
Заказы
Документы
КП
Корзина
Екатеринбург
Войти
Каталог
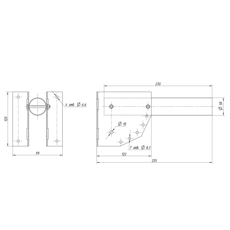
Кронштейн для уличного светильника ЭРА SPP-AC2-0-230-038 с переменным углом 270mm d38mm
Главное
Подробное описание
Связанные товары
Аналоги
Светотехника
Аксессуры к светильникам
Артикул:
00000423059
Код производителя:
Б0057533
Бренд:
ЭРА (Энергия света)
цена
417,24 ₽/шт
наличие
30 шт
шт
в корзину
добавить в…
Добавить в избранное
Поделиться
Подобрать аналог
Связанные товары
Отказное письмо
Описание и характеристики
Кронштейн для уличного (консольного) светильника с переменным углом 250*120*102 d38mm
Тип компонента/запасной части
Кронштейн/консоль
Цвет
Серый
Материал
Сталь
Показать все характеристики
Связанные товары
Аналоги