

Описание и характеристики
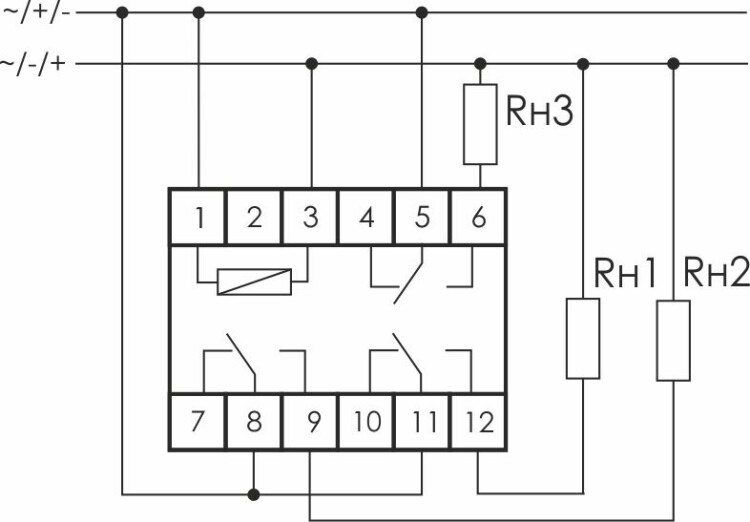
Реле электромагнитное (промежуточное) PK-3P предназначено для гальванической развязки между силовыми цепями и цепями управления, дистанционного включения нагрузки путем подачи управляющего напряжения на обмотку реле, а также использования в качестве промежуточного. Евроавтоматика ФиФ
Номин. напряжение питания цепи управления Us AC 50 Гц
230 В
Тип напряжения управления
AC (перемен.)
Количество переключающих (перекидных) контактов
3
Показать все характеристики