


Описание и характеристики
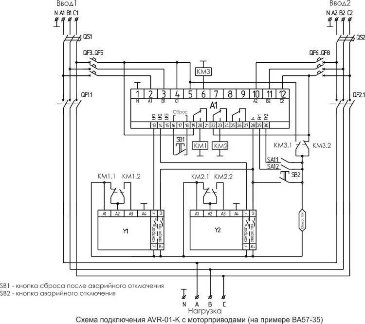
Устройство управления резервным питанием предназначено для построения схем АВР с двумя вводами питания, одной нагрузкой.Монтаж на DIN-рейке 35мм, 3х400/230В+N 16А 4NO/NC IP20 Евроавтоматика ФиФ
Тип напряжения
AC (перемен.)
Номин. напряжение питания цепи управления Us AC 50 Гц
85...264 В
Количество фаз
3
Показать все характеристики