

Описание и характеристики
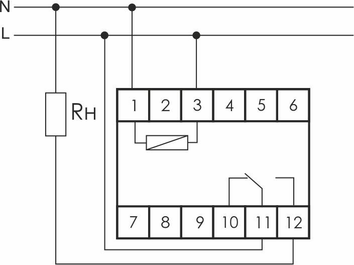
Реле времени программируемое предназначено для включения/выключения потребителей в системах промышленной и бытовой автоматики: в вентиляционных, отопительных, осветительных, сигнализационных и т.п., на заданный отрезок времени. Нагрузка включается после подачи напряжения и отключается после отсчета заданного отрезка времени, 1 модуль, монтаж на DIN-рейке 230В АС 8А 1NO/NC IP20 Евроавтоматика ФиФ
Тип инициирования
Цифров. с одной функцией
Функционал. назначение/применение
Формирователь импульса
Блок 1 интервала
Секунды/минуты
Показать все характеристики