

Описание и характеристики
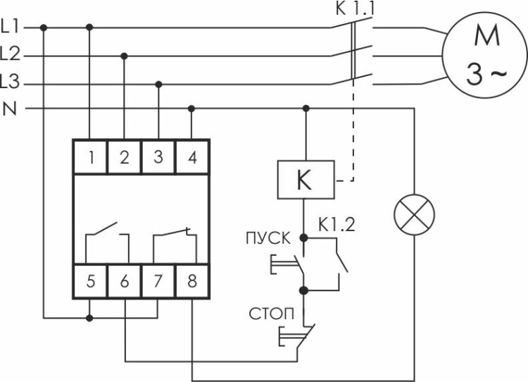
Реле контроля и наличия, чередования фаз предназначено для защиты электродвигателей и электроустановок, питаемых от трехфазной сети в случаях: отсутствия хотя бы одной из фаз, асимметрии напряжения, нарушения чередования фаз. Регулируемые асимметрия и время отключения,2 модуля, монтаж на DIN-рейке 3х400/230+N 2х8А 1NO, 1NC IP20 Евроавтоматика ФиФ
Номин. напряжение питания цепи управления Us AC 50 Гц
230 В
Тип напряжения управления
AC (перемен.)
Мин. задержка на включение
3 с
Показать все характеристики